สินค้า
160MJ Laser Designator (Ltd) WIHT LRF
  • 160MJ Laser Designator (Ltd) WIHT LRF160MJ Laser Designator (Ltd) WIHT LRF

160MJ Laser Designator (Ltd) WIHT LRF

STA-Z160M เป็นนักออกแบบเป้าหมายเลเซอร์ 160MJ ทหารที่มีบทบาทสำคัญในระบบเล็งที่แม่นยำซึ่งสามารถให้คำแนะนำที่แม่นยำสำหรับกระสุนอัจฉริยะ ผ่านระบบออปติคัลขั้นสูงมันทำเครื่องหมายเป้าหมายด้วยลำแสงเลเซอร์เพื่อให้มั่นใจว่าอาวุธที่มีความแม่นยำสามารถทำลายเป้าหมายได้ด้วยความแม่นยำและประสิทธิภาพสูงมาก

ส่งคำถาม

รายละเอียดสินค้า
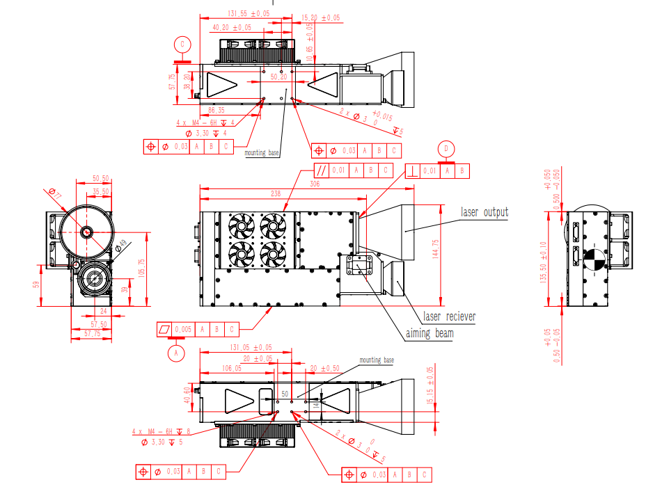
รุ่นของตัวออกแบบเป้าหมายเลเซอร์นี้ใช้การออกแบบแบบบูรณาการระบบประกอบด้วยแหล่งกำเนิดแสงเลเซอร์และไดรเวอร์โมดูลการวัดระยะทางระบบการสังเกตและโมดูลควบคุม

ฟังก์ชั่นหลัก

ฟังก์ชั่นเลเซอร์หลากหลาย
ฟังก์ชั่นการฉายรังสีเลเซอร์;
ทริกเกอร์สัญญาณแยกโฟโต้อิเล็กทริก;
แยกลำแสงเล็ง
ฟังก์ชั่นทริกเกอร์ภายนอก

ตัวบ่งชี้ทางเทคนิคหลัก

ความยาวคลื่นทำงาน 1064nm ± 1nm
พลังงานการฉายรังสีเลเซอร์ สามารถเปลี่ยนได้ทั้ง 85MJ และ 160MJ
ความล่าช้าเบา 304µs ± 1µs
มุมการกระจายลำแสงเลเซอร์ ≤0.2MRAD
ความถี่ในการฉายรังสี 8 ~ 21Hz
ความถี่ตั้งแต่ 10Hz
ความกว้างพัลส์เลเซอร์ 10ns ~ 15ns
เสถียรภาพพลังงาน ≤± 8%
ช่วง 0.2m ~ 30km (ขนาดเป้าหมาย 10 m *10 m *8 m, ทัศนวิสัย 30 กม.)
ข้อผิดพลาดตั้งแต่ น้อยกว่าหรือเท่ากับ 5 เมตร
การเลือกเป้าหมาย ครั้งแรก/สอง/สิ้นสุด
อัตราการวัดที่แม่นยำ 98%
เวลาเริ่มต้น <1 นาที (ที่อุณหภูมิปกติ)
เวลาทำงาน โหมดต่าง ๆ ทำงานอย่างต่อเนื่องเป็นเวลา 5 นาทีพักผ่อนเป็นเวลา 4 นาที, ต่อเนื่อง 5 รอบ (ที่อุณหภูมิต่ำ/ปกติ) ทำงานอย่างต่อเนื่องเป็นเวลา 5 นาทีพักผ่อน 4 นาที, 2 -sycles ต่อเนื่อง (ที่อุณหภูมิสูงและ 85mj output) อย่างต่อเนื่องเป็นเวลา 2 นาที
โหมดการฉายรังสี เวลาในการฉายรังสี 90s, 60s, ต่อเนื่อง 5 รอบ (ที่อุณหภูมิต่ำ/ปกติและ 85mj output) เวลาการฉายรังสี 60s, พักผ่อน 60s, ต่อเนื่อง 5 รอบ (ที่อุณหภูมิต่ำ/ปกติ 160MJ เอาท์พุท)
น้ำหนักเต็มชุด ≤ 3.3kg

ปริมาณของชุดเต็ม



อินเทอร์เฟซไฟฟ้า

ตัวเชื่อมต่อการสื่อสาร (ซ็อกเก็ตโมเดล J30J-15ZKP, ก้นปลั๊กรุ่น J30J-15TJ) นิยามพิน

เข็มหมุด คำนิยาม เนื้อหา ประเภทของสัญญาณ ข้อสังเกต
1 TX+ RS422 ส่งบวก (ท้องถิ่น) เอาท์พุท คอมพิวเตอร์โฮสต์วัตถุ
2 TX - RS422 ส่งลบ (ท้องถิ่น) เอาท์พุท คอมพิวเตอร์โฮสต์วัตถุ
3 RX+ RS422 ได้รับบวก (ท้องถิ่น) ป้อนข้อมูล วัตถุบนคอมพิวเตอร์ด้านบน
4 RX - RS422 ได้รับเชิงลบ (ท้องถิ่น) ป้อนข้อมูล วัตถุบนคอมพิวเตอร์ด้านบน
5 gnd กราวด์ rs422 กราวด์สัญญาณ วัตถุบนคอมพิวเตอร์ด้านบน
6


การดีบักของผู้ผลิตพิเศษ
7


การดีบักของผู้ผลิตพิเศษ
8


การดีบักของผู้ผลิตพิเศษ
9


การดีบักของผู้ผลิตพิเศษ
10


การดีบักของผู้ผลิตพิเศษ
11


การดีบักของผู้ผลิตพิเศษ
12


การดีบักของผู้ผลิตพิเศษ
13


การดีบักของผู้ผลิตพิเศษ
14
ระบบเวลาภายนอก + ป้อนข้อมูล rs422 differential
15
ระบบเวลาภายนอก - ป้อนข้อมูล rs422 differential

ตัวเชื่อมต่อพลังงาน (ประเภทปลั๊ก J30J02P020P000S0P120, ประเภทปลั๊ก J30J02P020S000S0L000) นิยามพิน

หมายเลขพิน คำนิยาม ข้อสังเกต
A, B 24V สีลวดเป็นสีแดง
ซีดี gnd สีลวดเป็นสีดำ

ตัวบ่งชี้ประสิทธิภาพที่สำคัญ

แหล่งจ่ายไฟและการใช้พลังงาน ช่วงจ่ายไฟ 20V ~ 33V, DC
การใช้พลังงาน พลังงานสูงสุดไม่เกิน 260W พลังงานสแตนด์บายไม่เกิน 60W (อุณหภูมิปกติ)
ความน่าเชื่อถือ MTBF ไม่น้อยกว่า 4000H (เวลาการยิงทั้งหมดมีขนาดใหญ่กว่า 3 ล้าน)
ความปลอดภัย ตั้งค่าอุปกรณ์เตือนสำหรับเลเซอร์ให้ทำงาน
ทางออกของเครื่องส่งสัญญาณเลเซอร์มีสัญญาณเตือนที่ชัดเจน
อุปกรณ์มีสายดินที่ดี
การบำรุงรักษาได้ ส่วนประกอบและอุปกรณ์ที่ใช้งานได้หลักทั้งหมดมีทั้งตัวบ่งชี้ความผิดพลาดและตัวบ่งชี้สำหรับการทำงานปกติ
เวลาซ่อมโดยเฉลี่ย MTTR ไม่เกิน 20 นาที
ข้อกำหนดความเข้ากันได้ของแม่เหล็กไฟฟ้า ในกระบวนการบูตระบบอุปกรณ์สามารถใช้งานร่วมกับอุปกรณ์อื่น ๆ ในระบบและทำงานได้ตามปกติ

ข้อกำหนดการปรับตัวด้านสิ่งแวดล้อม

อุณหภูมิ อุณหภูมิการทำงาน -40 ℃ ~ +60 ℃
อุณหภูมิการจัดเก็บ -40 ℃ ~ +70 ℃
ความร้อนชื้น ความชื้นสัมพัทธ์ 95% ± 3%
อุณหภูมิ +25 ° C ± 2 ° C
เวลาจัดเก็บ 72H
การสั่นสะเทือน รูปร่างสเปกตรัมการสั่นสะเทือน (GRMS = 6.06) 20Hz ถึง 80Hz +3dB/ต.ค.
80Hz ถึง 350Hz G2/0.04 Hz
350Hz ถึง 2000Hz -3dB/ต.ค.
ทิศทางและเวลาการสั่นสะเทือน สั่นในสองทิศทางอย่างน้อย 10 นาที
จุดควบคุม ควรเลือกในการติดตั้งหรือพื้นผิวโต๊ะสั่นใกล้กับความแข็งสูงสุดของผลิตภัณฑ์อุปกรณ์ขนาดใหญ่สามารถใช้การควบคุมเฉลี่ยหลายจุด
จุดตรวจสอบ ควรเลือกจุดตรวจสอบในส่วนสำคัญของผลิตภัณฑ์ภายใต้การทดสอบเพื่อให้การตอบสนองการเร่งความเร็วของรูตเฉลี่ยไม่เกินการออกแบบที่อนุญาตสูงสุด (GRMS = 6.06)
ข้อกำหนดการติดตั้ง ชิ้นงานจะติดอยู่กับตารางการสั่นอย่างแน่นหนาและสำหรับผลิตภัณฑ์ที่ติดตั้งโช้คอัพโช้ค
ตรวจสอบประสิทธิภาพ ในระหว่างการทดสอบการสั่นสะเทือนด้วยอุปกรณ์ที่ใช้พลังงานตัวบ่งชี้ประสิทธิภาพทั้งหมดจะต้องเป็นไปตามข้อกำหนดทางเทคนิคที่ระบุไว้ในเอกสารการออกแบบ ในกรณีที่เกิดความล้มเหลวได้รับอนุญาตการซ่อมแซม หลังการซ่อมแซมควรลดค่าสเปกตรัมเป็น0.01g²/Hz, GRMS = 3.03 และตัวอย่างควรได้รับการสั่นสะเทือนในทิศทางที่ไวต่อการสั่นสะเทือนมากที่สุดเป็นเวลา 10 นาทีในระหว่างการทดสอบการยอมรับ
รอบอุณหภูมิ ช่วงอุณหภูมิ การทดสอบด้วยพลังงาน -35 ± 3 ℃ ~ +52 ± 2 ℃
อัตราการเปลี่ยนแปลงอุณหภูมิ อุณหภูมิสูงขึ้น 10 ℃/นาที
การทำให้เย็นลง 10 ℃/นาที
รอบเวลา ควรเสร็จสิ้นรอบสิบรอบเพื่อให้มั่นใจว่า 2 รอบสุดท้ายนั้นไม่มีข้อบกพร่อง หากมีความผิดพลาดเกิดขึ้นในช่วง 2 รอบสุดท้ายหลังจากซ่อมแซมต้องมีวัฏจักรปลอดข้อผิดพลาดเพิ่มอีก 2 รอบ
รอบเวลา เวลาหนึ่งรอบคือ 4H, รอบหนึ่งรวมถึงอุณหภูมิที่เพิ่มขึ้น→อุณหภูมิอยู่→การระบายความร้อน→อุณหภูมิอยู่→อุณหภูมิสูงขึ้น
เวลาพักอาศัยที่สูงและต่ำ เวลาที่อยู่อาศัยขึ้นอยู่กับความจุความร้อนของชิ้นงาน ขึ้นอยู่กับหลักการของการซึมผ่านของผลิตภัณฑ์ความร้อนหรือความเย็นอุณหภูมิภายในของชิ้นงานจะถูกเก็บรักษาไว้เป็นเวลา 5 นาทีหลังจากถึงเสถียรภาพ
ข้อกำหนดของผลิตภัณฑ์ภายใต้การทดสอบ การทดสอบวัฏจักรอุณหภูมิทั่วไปกับเครื่องทั้งหมดควรจะเปิดฝาครอบได้มากที่สุด
ตรวจสอบและซ่อมแซม ในอุปกรณ์ทดสอบพลังงานหลังจากการทดสอบรอบอุณหภูมิแต่ละครั้งจำเป็นต้องยืนยันว่าอุปกรณ์นั้นปราศจากความผิดพลาดก่อนที่จะดำเนินการต่อไปยังรอบอุณหภูมิถัดไป
ข้อกำหนดที่เปียกโชก การเปียกโชกจะดำเนินการกับอุปกรณ์ทั้งหมด
ข้อกำหนดการขนส่ง อุปกรณ์จะต้องมีการขนส่งเป็นยานพาหนะทั้งหมด
หากผลิตภัณฑ์ไม่ได้ผ่านการทดสอบการขนส่งทางถนนคุณสามารถทำการทดสอบการจำลองการขนส่งในร่มโดยใช้ตารางการขนส่งแบบจำลอง การทดสอบนี้เกี่ยวข้องกับการทดสอบการสั่นสะเทือนแบบไซนัส
ข้อกำหนดของการทดสอบตารางการขนส่งแบบจำลองมีดังนี้
เงื่อนไขการทดสอบ ความถี่ 5Hz ~ 200Hz
ความกว้าง 5Hz ~ 7Hz
แอมพลิจูด 12 มม. ~ 8 มม.
7Hz ~ 200Hz การเร่งความเร็วเท่ากัน 1.5 กรัม
เงื่อนไขการทดสอบการสั่นสะเทือนที่อนุญาตการเบี่ยงเบนที่อนุญาตเหมือนกับการทดสอบการสั่นสะเทือนแบบสุ่มบรอดแบนด์
ทิศทาง ทิศทางของเพลาแนวตั้งและด้านข้างการวางแนว: แนวตั้งและด้านข้างของเพลา
รอบเวลา log-scan 5Hz ~ 200Hz ~ 5Hz, 12 นาทีต่อรอบ; เมื่อความถี่เรโซแนนท์ของชิ้นงานวัดต่ำกว่า 5Hz ความถี่ทดสอบสามารถขยายไปยัง 2Hz, 2Hz ~ 200Hz ~ 2Hz การสแกนเวลาการสแกนควรเป็น 15 นาที
หลังจากการทดสอบการขนส่งตรวจสอบสัญญาณของความเสียหายหรือการคลายโครงสร้างและดำเนินการตรวจสอบดัชนีทางเทคนิคเพื่อให้แน่ใจว่าพวกเขาตรงตามข้อกำหนดการออกแบบ

แท็กยอดนิยม: 160MJ Laser Designator (LTD) WIHT LRF, ผู้ผลิต, ซัพพลายเออร์, โรงงาน, จีน, ผลิตในประเทศจีน, ปรับแต่งคุณภาพสูง, คุณภาพสูง
หมวดหมู่ที่เกี่ยวข้อง
ส่งคำถาม
โปรดส่งคำถามของคุณในแบบฟอร์มด้านล่าง เราจะตอบกลับคุณภายใน 24 ชั่วโมง
X
เราใช้คุกกี้เพื่อมอบประสบการณ์การท่องเว็บที่ดีขึ้น วิเคราะห์การเข้าชมไซต์ และปรับแต่งเนื้อหาในแบบของคุณ การใช้ไซต์นี้แสดงว่าคุณยอมรับการใช้คุกกี้ของเรา นโยบายความเป็นส่วนตัว
ปฏิเสธ ยอมรับ