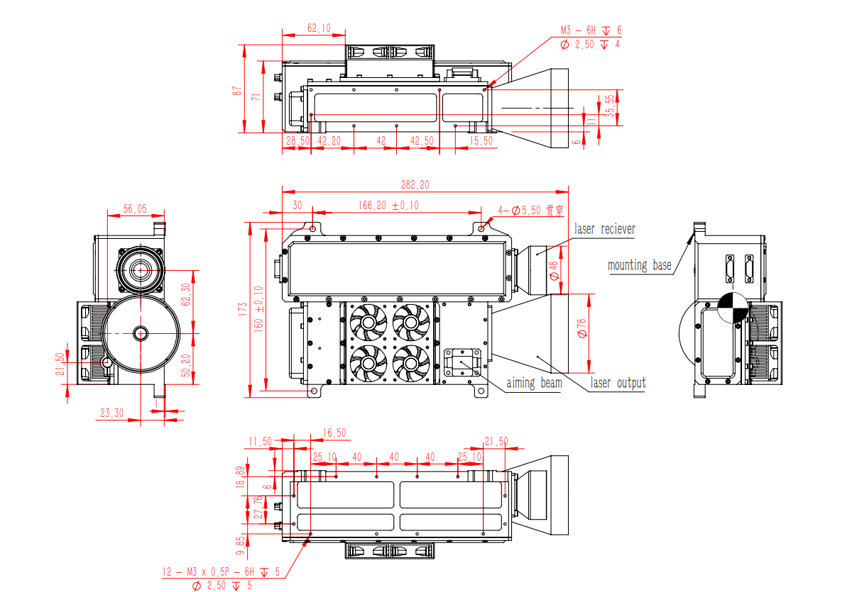
STA-Z100M เป็นนักออกแบบเป้าหมายเลเซอร์ขนาด 100MJ ทหารที่มีบทบาทสำคัญในระบบเล็งที่แม่นยำซึ่งสามารถให้คำแนะนำที่แม่นยำสำหรับกระสุนอัจฉริยะ ผ่านระบบออปติคัลขั้นสูงมันทำเครื่องหมายเป้าหมายด้วยลำแสงเลเซอร์เพื่อให้มั่นใจว่าอาวุธที่มีความแม่นยำสามารถทำลายเป้าหมายได้ด้วยความแม่นยำและประสิทธิภาพสูงมาก
| พารามิเตอร์หลักของแหล่งกำเนิดแสงเลเซอร์ | |
| ความยาวคลื่นทำงาน | 1064nm ± 1nm |
| โหมดปั๊ม | ปั๊มด้านเซมิคอนดักเตอร์ |
| ความถี่ในการฉายรังสี | รหัสที่ถูกต้อง 45ms - 125ms (ตรวจสอบรหัส 20Hz) |
| วิธีทริกเกอร์ | ทั้งสอง int ทริกเกอร์และต่อ ทริกเกอร์ (ทริกเกอร์ล่าช้า: 304US+-1US) |
| พลังงานส่งออก | ≥100MJ@20Hz |
| ระยะทางสูงสุด | ≥12km |
| q โหมดการสลับ | Electro-Optical Q Switching |
| ความกว้างของชีพจร | 10ns ~ 20ns |
| มุมแตกต่างของลำแสง | การใช้ 0.15MRAD (วิธีการยอมรับใช้วิธีการหลุมหลุมและอัตราส่วนของหลุมรูต่อรูไม่น้อยกว่า 86.5%) |
| ความเสถียรของพลังงานชีพจร | ≤8%(RMS) |
| วงจรการทำงานของการฉายรังสี | ทำงาน 90s ช่วงเวลา 60s; 4 รอบ (อุณหภูมิปกติหรืออุณหภูมิต่ำ), 1 รอบ (อุณหภูมิสูง 60 ℃) |
| แหล่งจ่ายไฟ | DC 24V ± 4V |
| พลัง | <240W (กระแสสัญญาณสแตนด์บายอุณหภูมิปกติ: <2a, กระแสสูงสุดในการทำงาน <10a, ปัจจุบันสูงและอุณหภูมิต่ำในปัจจุบัน <3.5a) |
| พอร์ตการสื่อสารแบบอนุกรม | RS422 |
| อินเทอร์เฟซทริกเกอร์ภายนอก | ไดรฟ์ระดับความแตกต่าง 3V, อินเทอร์เฟซ RS422 (เวลาหน่วงคือ 304US +/- 1US จากสัญญาณทริกเกอร์ไปยัง lase out) |
| ประเภทการเข้ารหัส | การเข้ารหัสความถี่ที่แม่นยำการเข้ารหัสเวลาการเข้ารหัสแบบสุ่มหลอกหลอก |
| ใช้ความแม่นยำ | <+-1US |
| เลเซอร์หลากหลายพารามิเตอร์ | |
| โหมดต่าง ๆ | 0 ~ 5Hz ตั้งแต่ |
| ระยะทางที่วัดได้สูงสุด | > 30 กม. (การมองเห็น 20 กม., 2.3x2.3m เป้าหมายทั่วไป, การสะท้อนเป้าหมายเป้าหมาย> 20%) |
| ระยะทางขั้นต่ำที่วัดได้ | 300m |
| ความแม่นยำ | ± 5m |
| การปรับตัวด้านสิ่งแวดล้อม | |
| อุณหภูมิต่ำ | อุณหภูมิการทำงาน: -40c |
| อุณหภูมิการจัดเก็บ: -45 ℃ | |
| อุณหภูมิสูง | อุณหภูมิการทำงาน: + 60 ℃ |
| อุณหภูมิการจัดเก็บ: +65 ℃ | |
| ความร้อนชื้น | ความชื้นสัมพัทธ์: 95%± 3%; |
| อุณหภูมิ: +35 ℃± 2 ℃ | |
| เวลาจัดเก็บ: 72H | |
| ผลกระทบ | |
| รูปคลื่นผลกระทบ | พัลส์ครึ่งไซน์ |
| การเร่งความเร็วสูงสุด | 10 กรัม |
| ความกว้างของชีพจร | 11ms |
| จำนวนแรงกระแทก | 3 ในทิศทางแนวแกนแนวตั้ง |
| การสั่นสะเทือน | |
| ช่วงความถี่ | 5 ~ 16Hz การกระจัดแอมพลิจูดเดี่ยว: 1.5 มม. |
| 16 ~ 200Hz (16 ~ 60Hz สำหรับอุปกรณ์ออพติคอล) การเร่งความเร็ว: 1.5 กรัม | |
| ครั้งเดียวสแกน | 12 นาที |
| ระยะเวลา | แกนแนวตั้ง 36 นาที |

| เข็มหมุด | คำนิยาม | เนื้อหา | ประเภทของสัญญาณ | ข้อสังเกต |
| 1 | TX+ | RS422 ส่งบวก (ท้องถิ่น) | เอาท์พุท | คอมพิวเตอร์โฮสต์วัตถุ |
| 2 | TX - | RS422 ส่งลบ (ท้องถิ่น) | เอาท์พุท | คอมพิวเตอร์โฮสต์วัตถุ |
| 3 | RX+ | RS422 ได้รับบวก (ท้องถิ่น) | ป้อนข้อมูล | วัตถุบนคอมพิวเตอร์ด้านบน |
| 4 | RX - | RS422 ได้รับเชิงลบ (ท้องถิ่น) | ป้อนข้อมูล | วัตถุบนคอมพิวเตอร์ด้านบน |
| 5 | gnd | กราวด์ rs422 | กราวด์สัญญาณ | วัตถุบนคอมพิวเตอร์ด้านบน |
| 6 |
|
|
|
การดีบักของผู้ผลิตพิเศษ |
| 7 |
|
|
|
การดีบักของผู้ผลิตพิเศษ |
| 8 |
|
|
|
การดีบักของผู้ผลิตพิเศษ |
| 9 |
|
|
|
การดีบักของผู้ผลิตพิเศษ |
| 10 |
|
|
|
การดีบักของผู้ผลิตพิเศษ |
| 11 |
|
|
|
การดีบักของผู้ผลิตพิเศษ |
| 12 |
|
|
|
การดีบักของผู้ผลิตพิเศษ |
| 13 |
|
|
|
การดีบักของผู้ผลิตพิเศษ |
| 14 |
|
ระบบเวลาภายนอก + | ป้อนข้อมูล | rs422 differential |
| 15 |
|
ตงนอกเวลา - | ป้อนข้อมูล | rs422 differential |
| หมายเลขพิน | คำนิยาม | ข้อสังเกต |
| A, B | 24V | สีลวดเป็นสีแดง |
| ซีดี | gnd | สีลวดเป็นสีดำ |
| แหล่งจ่ายไฟและการใช้พลังงาน | ช่วงจ่ายไฟ | 20V ~ 33V, DC |
| การใช้พลังงาน | พลังสูงสุดไม่เกิน 240W พลังงานสแตนด์บายไม่เกิน 60W (อุณหภูมิห้อง) | |
| ความน่าเชื่อถือ | MTBF ไม่น้อยกว่า 4000H (เวลาการยิงทั้งหมดมีขนาดใหญ่กว่า 3 ล้าน) | |
| ความปลอดภัย | ตั้งค่าอุปกรณ์เตือนสำหรับเลเซอร์ให้ทำงาน | |
| ทางออกของเครื่องส่งสัญญาณเลเซอร์มีสัญญาณเตือนที่ชัดเจน | ||
| อุปกรณ์มีสายดินที่ดี | ||
| การบำรุงรักษาได้ | ส่วนประกอบและอุปกรณ์ที่ใช้งานได้หลักทั้งหมดมีทั้งตัวบ่งชี้ความผิดพลาดและตัวบ่งชี้สำหรับการทำงานปกติ | |
| เวลาซ่อมโดยเฉลี่ย MTTR ไม่เกิน 20 นาที | ||
| ข้อกำหนดความเข้ากันได้ของแม่เหล็กไฟฟ้า | ในกระบวนการบูตระบบอุปกรณ์สามารถใช้งานร่วมกับอุปกรณ์อื่น ๆ ในระบบและทำงานได้ตามปกติ | |
| อุณหภูมิ | อุณหภูมิการทำงาน | -40 ℃ ~ +60 ℃ | ||||
| อุณหภูมิการจัดเก็บ | -45 ℃ ~ +70 ℃ | |||||
| ความร้อนชื้น | ความชื้นสัมพัทธ์ | 95% ± 3% | ||||
| อุณหภูมิ | +25 ° C ± 2 ° C | |||||
| เวลาจัดเก็บ | 72H | |||||
| การสั่นสะเทือน | รูปร่างสเปกตรัมการสั่นสะเทือน (GRMS = 6.06) | 20Hz ถึง 80Hz | +3dB/ต.ค. | |||
| 80Hz ถึง 350Hz | G2/0.04 Hz | |||||
| 350Hz ถึง 2000Hz | -3dB/ต.ค. | |||||
| ทิศทางและเวลาการสั่นสะเทือน | สั่นสะเทือนในสองทิศทางอย่างน้อย 10 นาที (การสั่นสะเทือนในสองทิศทางเช่นแกน x ที่อยู่ตามแนวแกนเลเซอร์และทิศทาง z ด้วย) | |||||
| จุดควบคุม | ควรเลือกในการติดตั้งหรือพื้นผิวโต๊ะสั่นใกล้กับความแข็งสูงสุดของผลิตภัณฑ์อุปกรณ์ขนาดใหญ่สามารถใช้การควบคุมเฉลี่ยหลายจุด | |||||
| จุดตรวจสอบ | ควรเลือกจุดตรวจสอบในส่วนสำคัญของผลิตภัณฑ์ภายใต้การทดสอบเพื่อให้การตอบสนองการเร่งความเร็วของรูตเฉลี่ยไม่เกินการออกแบบที่อนุญาตสูงสุด (GRMS = 6.06) | |||||
| ข้อกำหนดการติดตั้ง | ชิ้นงานจะติดอยู่กับตารางการสั่นอย่างแน่นหนาและสำหรับผลิตภัณฑ์ที่ติดตั้งโช้คอัพโช้ค | |||||
| ตรวจสอบประสิทธิภาพ | ในระหว่างการทดสอบการสั่นสะเทือนด้วยอุปกรณ์ที่ใช้พลังงานตัวบ่งชี้ประสิทธิภาพทั้งหมดจะต้องเป็นไปตามข้อกำหนดทางเทคนิคที่ระบุไว้ในเอกสารการออกแบบ ในกรณีที่เกิดความล้มเหลวได้รับอนุญาตการซ่อมแซม หลังการซ่อมแซมควรลดค่าสเปกตรัมเป็น0.01g²/Hz, GRMS = 3.03 และตัวอย่างควรได้รับการสั่นสะเทือนในทิศทางที่ไวต่อการสั่นสะเทือนมากที่สุดเป็นเวลา 10 นาทีในระหว่างการทดสอบการยอมรับ | |||||
| รอบอุณหภูมิ | ช่วงอุณหภูมิ | การทดสอบด้วยพลังงาน | -40 ± 3 ℃ ~ +55 ± 2 ℃ | |||
| อัตราการเปลี่ยนแปลงอุณหภูมิ | อุณหภูมิสูงขึ้น | 10 ℃/นาที | ||||
| การทำให้เย็นลง | 10 ℃/นาที | |||||
| รอบเวลา | ควรเสร็จสิ้นรอบสิบรอบเพื่อให้มั่นใจว่า 2 รอบสุดท้ายนั้นไม่มีข้อบกพร่อง หากมีความผิดพลาดเกิดขึ้นในช่วง 2 รอบสุดท้ายหลังจากซ่อมแซมต้องมีวัฏจักรปลอดข้อผิดพลาดเพิ่มอีก 2 รอบ | |||||
| รอบเวลา | เวลาหนึ่งรอบคือ 4H, รอบหนึ่งรวมถึงอุณหภูมิที่เพิ่มขึ้น→อุณหภูมิอยู่→การระบายความร้อน→อุณหภูมิอยู่→อุณหภูมิสูงขึ้น | |||||
| เวลาพักอาศัยที่สูงและต่ำ | เวลาที่อยู่อาศัยขึ้นอยู่กับความจุความร้อนของชิ้นงาน ขึ้นอยู่กับหลักการของการซึมผ่านของผลิตภัณฑ์ความร้อนหรือความเย็นอุณหภูมิภายในของชิ้นงานจะถูกเก็บรักษาไว้เป็นเวลา 5 นาทีหลังจากถึงเสถียรภาพ | |||||
| ข้อกำหนดของผลิตภัณฑ์ภายใต้การทดสอบ | การทดสอบวัฏจักรอุณหภูมิทั่วไปกับเครื่องทั้งหมดควรจะเปิดฝาครอบได้มากที่สุด | |||||
| ตรวจสอบและซ่อมแซม | ในอุปกรณ์ทดสอบพลังงานหลังจากการทดสอบรอบอุณหภูมิแต่ละครั้งจำเป็นต้องยืนยันว่าอุปกรณ์นั้นปราศจากความผิดพลาดก่อนที่จะดำเนินการต่อไปยังรอบอุณหภูมิถัดไป | |||||
| ข้อกำหนดที่เปียกโชก | การเปียกโชกจะดำเนินการกับอุปกรณ์ทั้งหมด | |||||
| ข้อกำหนดการขนส่ง | อุปกรณ์จะต้องมีการขนส่งเป็นยานพาหนะทั้งหมด | |||||
| หากผลิตภัณฑ์ไม่ได้ผ่านการทดสอบการขนส่งทางถนนคุณสามารถทำการทดสอบการจำลองการขนส่งในร่มโดยใช้ตารางการขนส่งแบบจำลอง การทดสอบนี้เกี่ยวข้องกับการทดสอบการสั่นสะเทือนแบบไซนัส | ||||||
| ข้อกำหนดของการทดสอบตารางการขนส่งแบบจำลองมีดังนี้ | ||||||
| เงื่อนไขการทดสอบ | ความถี่ | 5Hz ~ 200Hz | ||||
| ความกว้าง | 5Hz ~ 7Hz | |||||
| แอมพลิจูด 12 มม. ~ 8 มม. | ||||||
| 7Hz ~ 200Hz การเร่งความเร็วเท่ากัน 1.5 กรัม | ||||||
| เงื่อนไขการทดสอบการสั่นสะเทือนที่อนุญาตการเบี่ยงเบนที่อนุญาตเหมือนกับการทดสอบการสั่นสะเทือนแบบสุ่มบรอดแบนด์ | ||||||
| ทิศทาง | ทิศทางของเพลาแนวตั้งและด้านข้างการวางแนว: แนวตั้งและด้านข้างของเพลา | |||||
| รอบเวลา | log-scan 5Hz ~ 200Hz ~ 5Hz, 12 นาทีต่อรอบ; เมื่อความถี่เรโซแนนท์ของชิ้นงานวัดต่ำกว่า 5Hz ความถี่ทดสอบสามารถขยายไปยัง 2Hz, 2Hz ~ 200Hz ~ 2Hz การสแกนเวลาการสแกนควรเป็น 15 นาที | |||||
| หลังจากการทดสอบการขนส่งตรวจสอบสัญญาณของความเสียหายหรือการคลายโครงสร้างและดำเนินการตรวจสอบดัชนีทางเทคนิคเพื่อให้แน่ใจว่าพวกเขาตรงตามข้อกำหนดการออกแบบ | ||||||