ฟังก์ชั่นหลัก
(1) การจัดเรียงเดี่ยวและต่อเนื่อง
(2) การตอบสนองต่อคำสั่งเลเซอร์และสามารถหยุดได้ตลอดเวลาตามคำสั่งหยุด
(3) ข้อมูลระยะทางเอาท์พุทและข้อมูลสถานะหนึ่งครั้งต่อพัลส์ในระหว่างการวัดระยะทาง
(4) สามารถรายงานจำนวนพัลส์เลเซอร์ที่ส่งสะสม (ไม่มีการสูญเสียพลังงานลง);
(5) การเลือกระยะทางข้อบ่งชี้เป้าหมายด้านหน้าและด้านหลัง
(6) ฟังก์ชั่นการทดสอบตัวเอง
การแนะนำผลิตภัณฑ์
B0710X Laser Rangefinder Module เป็นเครื่องฟอกข้อมูลเลเซอร์ชีพจรทหารที่ออกแบบมาสำหรับสถานการณ์การใช้งานเช่นเครื่องบินยานพาหนะทางอากาศที่ไม่มีคนขับรถถังและขอบเขต มันมีขนาดเล็กน้ำหนักเบาการใช้พลังงานต่ำประสิทธิภาพที่มั่นคงระยะการวัดระยะยาวและอายุการใช้งานที่ยาวนานความปลอดภัยของดวงตามนุษย์และข้อได้เปรียบอื่น ๆ เป็นอุปกรณ์ทางเทคนิคที่สำคัญในการปรับปรุงความแม่นยำของผลิตภัณฑ์
ดัชนีประสิทธิภาพผลิตภัณฑ์สำหรับโมดูล LRF ที่ปลอดภัยต่อตา B0710X
| รายการ |
พารามิเตอร์ทางเทคนิค |
คำแนะนำ |
| แบบอย่าง |
STA-B0710X |
| ความยาวคลื่นทำงาน |
1535 ± 5nm |
| ความปลอดภัยของตา |
คลาส 1 (IEC 60825-1) |
| รับรูรับแสง |
φ33mm |
| รูรับแสงที่ปล่อยออกมา |
φ14mm |
| ความสามารถในการจัดระเบียบ |
50m-10km |
| ช่วง |
≥14000m |
ช่วงสูงสุด, การสะท้อนแสง: 0.9, ทัศนวิสัยของผู้สังเกตการณ์ 25 กม. |
| ≥10000m |
การสร้างเป้าหมายการสะท้อนแสง: 0.6, ทัศนวิสัยของผู้สังเกตการณ์ 25 กม. |
| ≥7000m |
เป้าหมายของนาโต้ |
| ≥4500m |
เป้าหมายของมนุษย์ |
| ≥1500m |
เป้าหมาย UAV |
| ช่วงขนาดเล็ก |
50 เมตร |
|
| การตรวจจับหลายเป้าหมาย |
เป้าหมายสูงสุด 3 เป้าหมาย |
|
| ความแม่นยำ |
± 1m |
3D |
| ความถี่ตั้งแต่ |
1 ~ 10Hz ปรับได้ |
|
| อัตราความถูกต้อง |
≥98% |
|
| อัตราการเตือนที่ผิดพลาด |
1% |
|
| มุมแตกต่าง |
≤0.3MRAD |
|
| อินเทอร์เฟซการสื่อสาร |
RS422 |
สามารถปรับแต่งอินเทอร์เฟซ TTL/RS232 ได้ |
| แรงดันไฟฟ้า |
9 ~ 32V |
แรงดันไฟฟ้าอินพุตสามารถปรับแต่งตามข้อกำหนด |
| พลังในการทำงาน |
≤3w (@10Hz) |
การทดสอบอุณหภูมิปกติ |
| พลังสูงสุด |
≤5W |
การทดสอบอุณหภูมิปกติ |
| ช็อตเชิงกล |
75g, 1ms |
|
| อุณหภูมิในการทำงาน |
-40 ℃~+60 ℃ |
|
| อุณหภูมิการจัดเก็บ |
-45 ℃~+70 ℃ |
|
| ความน่าเชื่อถือ |
MTBF ≥ 1500H |
|
| ขนาด |
≤73× 45 × 59 มม. |
|
| น้ำหนัก |
≤133G |
|
| ฟังก์ชั่นหลัก |
เป้าหมายแรกและสุดท้ายตั้งแต่การเลือกระยะเวลาหลายเป้าหมายการเลือกระยะทาง |
หมายเหตุ:
1) ขนาดเป้าหมายของนาโต้ 2.3 m × 2.3 ม.; ขนาดเป้าหมายของมนุษย์ 0.5 m × 1.7 ม.; UAV ขนาดเป้าหมาย 0.2 m × 0.3m; การสะท้อนแสง 30%, การมองเห็นผู้สังเกตการณ์≥ 15km
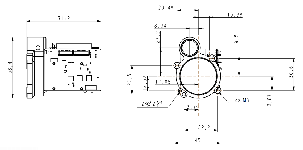
อินเทอร์เฟซการติดตั้งโครงสร้าง
อินเทอร์เฟซภายนอก
| เข็มหมุด |
คำนิยาม |
การทำงาน |
หมายเหตุ |
|
1
|
RX+ |
ตัวรับสัญญาณ RS422 + |
สีฟ้า |
|
2
|
rx- |
ตัวรับสัญญาณ RS422 - |
สีเขียว |
|
3
|
tx- |
การส่ง RS422 - |
สีม่วง |
|
4
|
TX+ |
การส่ง RS422 + |
สีเหลือง |
|
5
|
gnd |
สายการสื่อสาร |
สีขาว |
|
6
|
ม้วน |
แหล่งจ่ายไฟ + |
สีแดง |
|
7
|
gnd |
แหล่งจ่ายไฟ - |
สีดำ |
|
8
|
PWN และ |
/
|
เถ้า |
การปรับตัวด้านสิ่งแวดล้อม
a) อุณหภูมิการทำงาน: -40 ℃~+60 ℃。
b) อุณหภูมิการจัดเก็บ: -45 ℃~+70 ℃。
C) การสั่นสะเทือนแบบสุ่ม: 15 ~ 2000Hz, 3 ทิศทาง เงื่อนไขการทดสอบเฉพาะแสดงในตารางที่ 1
ตารางที่ 1 เงื่อนไขการทดสอบการสั่นสะเทือนแบบสุ่ม
| หมายเลขซีเรียล |
ช่วงความถี่ (Hz) |
ความหนาแน่นสเปกตรัมการเร่งความเร็ว (G2/Hz) |
เวลาการสั่นสะเทือน (นาที) |
|
1
|
15 ~ 190 |
0.01
|
การสั่นสะเทือนในทุกทิศทาง 15 นาที |
|
2
|
190 ~ 210 |
0.1
|
|
3
|
210 ~ 380 |
0.01
|
|
4
|
380 ~ 420 |
0.025
|
|
5
|
420 ~ 2000 |
0.01
|
OEM/ODM หลากหลายโมดูลและโซลูชั่นที่กำหนดเอง
B0710X ได้รับการออกแบบมาสำหรับผู้รวมระบบที่กำลังมองหาโซลูชันเลเซอร์ที่สะดวกสบายทรงพลังและกะทัดรัด ให้ประสิทธิภาพที่เชื่อถือได้ในแอพพลิเคชั่นที่หลากหลาย
มันมีขนาดเล็กมากแสงพิเศษมีการใช้พลังงานต่ำและสามารถวัดได้ในระยะไกล มันเหมาะสำหรับอุปกรณ์พกพา (การถ่ายภาพความร้อน) แอปพลิเคชันการติดตั้งอาวุธระบบพกพาและห้องสวีทเซ็นเซอร์น้ำหนักเบาและยานพาหนะทางอากาศที่ไม่มีคนขับหรือ UGVs
การสื่อสารโปรโตคอล
1. โปรโตคอลการส่ง: การสื่อสารอนุกรมแบบอะซิงโครนัส;
2. อัตราพอร์ต: 115200;
3. บิตข้อมูล: 10bits: หนึ่งบิตเริ่มต้น, 8 บิตข้อมูล, หนึ่งบิตหยุดหนึ่งบิต, การตรวจสอบไม่ถูกต้อง;
4. โครงสร้างข้อมูล: ข้อมูลประกอบด้วยไบต์ส่วนหัว, ส่วนคำสั่ง, ความยาวข้อมูล, ส่วนพารามิเตอร์และตรวจสอบไบต์;
5. โหมดการสื่อสาร: การควบคุมหลักส่งคำสั่งควบคุมไปยังเครื่องที่หลากหลายและเครื่องที่ได้รับและดำเนินการตามคำแนะนำ ในสถานะที่หลากหลายเครื่องจักรที่มีการส่งข้อมูลและสถานะของเครื่องที่หลากหลายกลับไปที่คอมพิวเตอร์ส่วนบนตามวัฏจักรหลากหลาย รูปแบบการสื่อสารและเนื้อหาคำสั่งจะแสดงในตารางต่อไปนี้
a) การควบคุมหลักส่ง
รูปแบบของข้อความที่จะส่งมีดังนี้:
| STX0 |
CMD |
เลิร์น |
data1h |
data1l |
CHK |
ตารางที่ 2 คำอธิบายรูปแบบของข้อความที่ส่ง
| หมายเลขสั่งซื้อ |
ชื่อ |
อธิบาย |
รหัส |
ข้อสังเกต |
|
1
|
STX0 |
ข้อความเริ่มต้นการตั้งค่าสถานะ |
A5 (H) |
|
|
2
|
CMD |
CW |
ดูตารางที่ 3 |
|
|
3
|
เลิร์น |
DL |
จำนวนไบต์ทั้งหมดยกเว้นเครื่องหมายเริ่มต้นคำสั่งและการตรวจสอบ |
|
|
4
|
เป็นดารา |
พารามิเตอร์ |
ดูตารางที่ 3 |
|
|
5
|
การมาถึง |
|
|
6
|
CHK |
การตรวจสอบ XOR |
ยกเว้นไบต์ที่ถูกต้องไบต์อื่น ๆ ทั้งหมดจะเป็น xored |
|
คำสั่งอธิบายดังนี้:
ตารางที่ 3 คำอธิบายของคำสั่งและคำข้อมูลที่ส่งโดยอาจารย์ไปยังเครื่องที่หลากหลาย
| หมายเลขสั่งซื้อ |
CW |
การทำงาน |
ไบต์ข้อมูล |
ข้อสังเกต |
ความยาว |
รหัสตัวอย่าง |
|
1
|
0x00 |
หยุด |
datah = 00 (h) datal = 00 (h) |
Rangefinder หยุดการวัด |
หกไบต์ |
A5 00 02 00 A7 |
|
2
|
0x01 |
เดี่ยว |
datah = 00 (h) datal = 00 (h) |
|
หกไบต์ |
A5 01 02 00 00 A6 |
|
3
|
0x02 |
อย่างต่อเนื่อง |
datah = xx (h) datal = yy (h) |
ข้อมูลอธิบายช่วงเวลาที่หลากหลายใน MS |
หกไบต์ |
A5 02 02 03 E8 4E (1Hz ตั้งแต่) |
|
4
|
0x03 |
การตรวจสอบตนเอง |
datah = 00 (h) datal = 00 (h) |
|
หกไบต์ |
A5 02 02 00 A4 |
|
5
|
0x04 |
ตั้งระยะทางที่ใกล้เคียงที่สุดกับการเลือก |
datah = xx (h) datal = yy (h) |
ข้อมูลอธิบายค่าโซนตาบอดหน่วย 1m |
หกไบต์ |
A5 04 02 00 64 C7 (100m เป็นระยะทางที่ใกล้ที่สุด) |
|
6
|
0x06 |
จำนวนคิวรีไฟที่เพิ่มขึ้น |
datah = 00 (h) datal = 00 (h) |
จำนวนคิวรีไฟที่เพิ่มขึ้น |
หกไบต์ |
A5 06 02 00 A1 |
|
7
|
0x11 |
พลังงาน APD เปิดอยู่ |
datah = 00 (h) datal = 00 (h) |
|
หกไบต์ |
A5 11 02 00 B6 |
|
8
|
0x12 |
พลังงาน APD ปิดอยู่ |
datah = 00 (h) datal = 00 (h) |
|
หกไบต์ |
A5 12 02 00 B5 |
|
9
|
0xeb |
แบบสอบถามหมายเลข |
datah = 00 (h) datal = 00 (h) |
แบบสอบถามหมายเลข |
หกไบต์ |
A5 EB 02 00 00 4C |
a) การควบคุมหลักได้รับรูปแบบ
รูปแบบของข้อความที่ได้รับมีดังนี้:
| STX0 |
CMD |
เลิร์น |
ข้อมูล |
วันที่ 0 |
CHK |
| หมายเลขสั่งซื้อ |
ชื่อ |
อธิบาย |
รหัส |
ข้อสังเกต |
|
1
|
STX0 |
ข้อความเริ่มต้นธง 1 |
A5 (H) |
|
|
2
|
cmd_jg |
คำสั่งข้อมูล |
ดูตารางที่ 5 |
|
|
3
|
เลิร์น |
DL |
จำนวนไบต์ทั้งหมดยกเว้นเครื่องหมายเริ่มต้นคำสั่งและการตรวจสอบ |
|
|
4
|
DN |
พารามิเตอร์ |
ดูตารางที่ 5 |
|
|
5
|
D0 |
|
|
6
|
CHK |
การตรวจสอบ XOR |
ยกเว้นไบต์ที่ถูกต้องไบต์อื่น ๆ ทั้งหมดจะเป็น xored |
|
คำอธิบายสถานะการควบคุมหลักการควบคุม:
ตารางที่ 5 อธิบายคำข้อมูลที่ส่งโดย RangeFinder ไปยังตัวควบคุมหลัก
| หมายเลขสั่งซื้อ |
CW |
การทำงาน |
ไบต์ข้อมูล |
ข้อสังเกต |
ความยาวโดยรวม |
|
1
|
0x00 |
หยุด |
d1 = 00 (h) d0 = 00 (h) |
|
หกไบต์ |
|
2
|
0x03 |
การตรวจสอบตนเอง |
d8 ~ d1 |
D8-D7: -5V แรงดันไฟฟ้า, หน่วย 0.01V.D6-D5: ค่าสปอตตาบอด, หน่วย 1MD4: ค่าแรงดันไฟฟ้าสูง APD, หน่วย V; D3: ชนิดถ่าน, อุณหภูมิ APD, หน่วย: องศาเซลเซียส; D2-D1: +5V แรงดันไฟฟ้า, หน่วย 0.01V |
12 ไบต์ |
|
3
|
0x04 |
ระยะทางไปยังการตั้งค่าการเข้าถึงที่ใกล้ที่สุดหน่วย M |
D1 D0 |
ข้อมูลอธิบายค่าระยะทางที่ใกล้ที่สุดหน่วย 1m เริ่มสูงและสิ้นสุดต่ำ |
หกไบต์ |
|
4
|
0x06 |
จำนวนคิวรีไฟที่เพิ่มขึ้น |
d3 ~ d0 |
ข้อมูลเป็นการแสดงออกถึงจำนวนไฟ 4 ไบต์ด้วยไบต์สูงก่อน |
เจ็ดไบต์ |
|
5
|
0x11 |
พลังงาน APD เปิดอยู่ |
d1 = 00 (h) d0 = 00 (h) |
พลังงาน APD เปิดอยู่ |
หกไบต์ |
|
6
|
0x12 |
APD Power ปิด |
d1 = 00 (h) d0 = 00 (h) |
พลังงาน APD ปิดอยู่ |
หกไบต์ |
|
7
|
0xed |
ทำงานล่วงเวลา |
0x00 0x00 |
เลเซอร์อยู่ภายใต้การป้องกันการทำงานด้วยเลเซอร์และไม่สามารถวัดได้ |
หกไบต์ |
|
8
|
0xee |
ข้อผิดพลาดประสิทธิผล |
0x00 0x00 |
|
หกไบต์ |
|
9
|
0xef |
หมดเวลาการสื่อสารพอร์ตอนุกรม |
0x00 0x00 |
|
หกไบต์ |
|
10
|
0x01 |
การวัดช่วงเดียว (เป้าหมายเดียว, ศูนย์สำหรับเป้าหมายที่สองและสาม, ศูนย์สำหรับเป้าหมายที่สามที่จุดเริ่มต้นและจุดสิ้นสุดของเป้าหมาย) |
D9D8 D7 D6D5 D4 D3D2 D1 D0 |
ระยะทางเป้าหมายแรก D8-D6 (หน่วย 0.1m) ระยะทาง D5-D3 ไปยังเป้าหมายที่สอง (หน่วย: 0.1m) D2-D0 ระยะทางเป้าหมายที่สาม (หน่วย 0.1m) 3 เป้าหมายมาจากใกล้กับ FARD9 (BIT7-BIT0) BYTE: D9 เป็นตำแหน่งที่ 7 ที่บ่งบอกถึงคลื่นหลัก 1: มีคลื่นหลัก 0: ไม่มีคลื่นหลัก D9 คือตำแหน่งที่ 6 ที่บ่งบอกถึงเสียงสะท้อน; 1: มี echo, 0: ไม่มี echod9 ตำแหน่งที่ห้าระบุสถานะเลเซอร์; 1: เลเซอร์ปกติ, 0: เลเซอร์ faultD9 เป็นบิตที่สี่ของธงหมดเวลา, 1: ปกติ, 0: TimeOutD9 ไม่ถูกต้องที่ตำแหน่งที่ 3 (ตั้งค่าเป็น 1); D9 ตำแหน่งที่สองระบุสถานะ APD; 1: ปกติ 0: Errord9 เป็นตำแหน่งแรกที่ระบุว่ามีเป้าหมายก่อนหน้าหรือไม่ 1: มีเป้าหมายก่อนหน้านี้ 0: ไม่มีเป้าหมายก่อนหน้า (เป้าหมายในพื้นที่ตาบอด) .D9 บิต 0th ระบุว่ามีเป้าหมายที่ตามมาหรือไม่ 1: มีเป้าหมายที่ตามมา 0: ไม่มีเป้าหมายที่ตามมา (เป้าหมายหลังจากเป้าหมายหลักคือเป้าหมายที่ตามมา) |
14 ไบต์ |
|
11
|
0x02 |
การจัดเรียงอย่างต่อเนื่อง (เป้าหมายเดียว, ศูนย์สำหรับเป้าหมายที่สองและสาม, ศูนย์สำหรับเป้าหมายที่สามที่จุดเริ่มต้นและจุดสิ้นสุดของเป้าหมาย) |
D9 D8 D7 D6D5 D4D2 D1 D0 |
ระยะทางเป้าหมายแรก D8-D6 (หน่วย 0.1m) ระยะทาง D5-D3 ไปยังเป้าหมายที่สอง (หน่วย: 0.1m) D2-D0 ระยะทางเป้าหมายที่สาม (หน่วย 0.1m) 3 เป้าหมายมาจากใกล้กับ FARD9 (BIT7-BIT0) BYTE: D9 เป็นบิตที่ 7 เพื่อระบุคลื่นหลัก 1: มีคลื่นหลัก 0: ไม่มีคลื่นหลัก D9 คือตำแหน่งที่ 6 ที่บ่งบอกถึงเสียงสะท้อน; 1: มี echo, 0: ไม่มี echod9 ตำแหน่งที่ห้าระบุสถานะเลเซอร์; 1: เลเซอร์ปกติ, 0: เลเซอร์ faultD9 เป็นบิตที่สี่ของธงหมดเวลา, 1: ปกติ, 0: TimeOutD9 ไม่ถูกต้องที่ตำแหน่งที่ 3 (ตั้งค่าเป็น 1); D9 ตำแหน่งที่สองระบุสถานะ APD; 1: ปกติ 0: Errord9 เป็นตำแหน่งแรกที่ระบุว่ามีเป้าหมายก่อนหน้าหรือไม่ 1: มีเป้าหมายก่อนหน้านี้ 0: ไม่มีเป้าหมายก่อนหน้า (เป้าหมายในพื้นที่ตาบอด) .D9 บิต 0th ระบุว่ามีเป้าหมายที่ตามมาหรือไม่ 1: มีเป้าหมายที่ตามมา 0: ไม่มีเป้าหมายที่ตามมา (เป้าหมายหลังจากเป้าหมายหลักคือเป้าหมายที่ตามมา) |
14 ไบต์ |
|
12
|
0xeb |
แบบสอบถามหมายเลข |
D17 …… D0 |
D17 D16 D15 D14 D13 D12 Whole Machine Model Coded11d10 Product NumberD9 D6 Software VersionD5 D4 APD NumberD3 D2 Laser NumberVersion D1 ของ FPGA |
22 ไบต์ |
| หมายเหตุ: ①ข้อมูลที่ไม่ได้กำหนดไบต์/บิตค่าเริ่มต้นคือ 0; |
แท็กยอดนิยม: โมดูล Rangefinder เลเซอร์ที่ปลอดภัย 7km (LRF), ผู้ผลิต, ซัพพลายเออร์, โรงงาน, จีน, ผลิตในประเทศจีน, ปรับแต่งคุณภาพสูง, คุณภาพสูง